
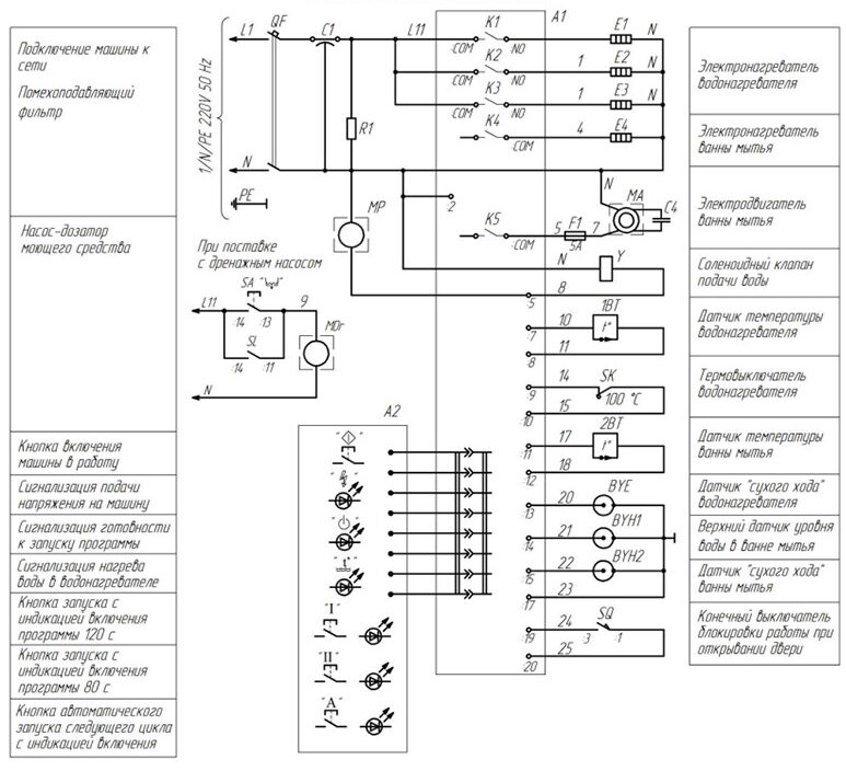
Блок управления МПФ 65.200-02 для машины посудомоечной фронтальной МПФ-12-01 производства ОАО "Гродторгмаш".
Требуемые программы мытья в количестве 5 шт. программируются с панели управления МПУ-700 01.28.000-01.

для Блок управления МПФ 65.200-02 (свободно программируемый)
Наименование | Формат |
|---|---|
Руководство пользователя |
Наша продукция
Сочетание передовых технологий, безупречного качества и высокой надежности. Мы создаем продукты, которые радуют удобством и долговечностью.